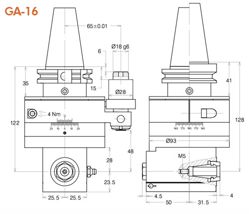
直角頭

來自航空、汽車、模具制造、機械、齒輪制造和醫療等各個行業的數千名滿意客戶
鉆孔、攻絲、銑削、鏜孔、操作
適用于配備 SK、BT、HSK、DIN2080、CAT、Capto、KM 和雙觸點主軸的 CNC 加工中心
緊湊而堅固
冷卻液通過分度臂或錐度
身體的 360° 分度
GA 角頭 - 標準長度













GA-L 角頭 - 加長










帶 ISO 輸出的 GA-X 角頭





傳真:0510-86199978
郵箱:info@andrewen.com
手機號:18961619099
地址:江蘇省江陰市澄江東路3號

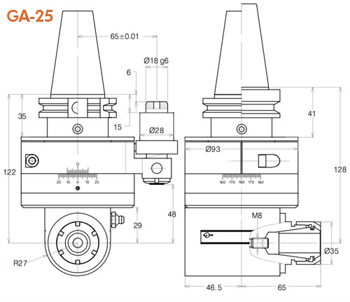
來自航空、汽車、模具制造、機械、齒輪制造和醫療等各個行業的數千名滿意客戶
鉆孔、攻絲、銑削、鏜孔、操作
適用于配備 SK、BT、HSK、DIN2080、CAT、Capto、KM 和雙觸點主軸的 CNC 加工中心
緊湊而堅固
冷卻液通過分度臂或錐度
身體的 360° 分度
GA 角頭 - 標準長度













GA-L 角頭 - 加長










帶 ISO 輸出的 GA-X 角頭



